产品中心
1580nm蝶形封装DFB激光器
产品说明:致远光科技的CWDM蝶形封装DFB激光器采用高性能的进口DFB半导体激光器芯片以及国内领先的封装工艺;内置制冷器,热敏电阻,监控光电二极管,光隔离器(可选配),激光器可在不同的环境温度下正常工作,输出的波长和光功率具有高度的稳定性;输出波长1270-1610nm(间隔20nm的CWDM波长),输出光功率≥10mW可选。致远光科技可根据客户的要求生产更高性能的激光器。
致远光科技可根据客户的需要定做DFB激光器的驱动电路,或者高性能的DFB光源。
特征:进口DFB半导体激光器芯片、波长稳定、高输出功率、多种封装形式等
领域:光纤通信系统、局域网广域网、CATV、 光纤传感、仪器仪表
技术参数:
|
参数 |
符号 |
测试条件 |
最小 |
典型 |
最大 |
单位 |
|
储存温度 |
Ts |
- |
-40 |
- |
85 |
℃ |
|
工作温度 |
Top |
- |
-20 |
- |
70 |
℃ |
|
光学特性(25°C激光器温度) |
||||||
|
中心波长 |
λc |
TL=15~35℃ CW |
- |
1580 |
- |
nm |
|
出光功率 |
PO |
CW |
20 |
- |
- |
mW |
|
线宽(3dB full width) |
LW |
CW |
- |
2 |
- |
MHZ |
|
边摸抑制比 |
SMSR |
CW |
35 |
40 |
- |
dB |
|
光隔离度 |
ISO |
TC = 0 °C to 70 °C |
30 |
- |
- |
dB |
|
波长漂移(EOL) |
∆λ |
Tested over25-year |
- |
- |
±0.1 |
nm |
|
波长随温度变化漂移系数 |
Δλ/T |
稳定工作电流 |
- |
0.1 |
- |
nm/℃ |
|
波长随电流变化漂移系数 |
Δλ/I |
稳定工作电流 |
- |
0.01 |
- |
nm/mA |
|
电特性(25°C激光器温度) |
||||||
|
阀值电流 |
Ith |
CW |
- |
10 |
30 |
mA |
|
斜率效率 |
ƞ |
CW 5mW |
0.05 |
0.08 |
0.2 |
mW/mA |
|
工作电流 |
Iop |
PO= 10 mW (CW) |
- |
100 |
- |
mA |
|
激光器正向电压 |
VLF |
PO= 10 mW (CW) |
- |
1.2 |
2 |
V |
|
激光器反向电压 |
VLRM |
- |
- |
- |
2 |
V |
|
激光器工作温度 |
TL |
- |
15 |
- |
35 |
℃ |
|
监视器反向电压 |
VRMON |
- |
3 |
5 |
10 |
V |
|
监视器电流 |
IRMON |
PO= 10 mW (CW) |
0.01 |
0.7 |
2 |
mA |
|
监视器暗电流 |
ID |
IF = 0, VRMON = 5 V |
- |
0.01 |
0.1 |
μA |
|
输入阻抗 |
ZIN |
- |
- |
25 |
- |
Ω |
|
热敏电阻电流 |
ITC |
- |
10 |
- |
100 |
μA |
|
热敏电阻阻抗 |
RTH |
TL = 25 °C |
9.5 |
- |
10.5 |
KΩ |
|
制冷器电流 |
ITEC |
TL = 25℃;TC = 70℃ |
- |
0.6 |
2 |
A |
|
制冷器电压 |
VTEC |
TL = 25℃;TC = 70℃ |
- |
1.3 |
3.5 |
V |
|
热敏电阻温度 |
- |
- |
- |
- |
100 |
℃ |
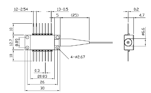
引脚定义与尺寸图:
|
||||
|
编号 |
型引脚定义 |
编号 |
型引脚定义 |
|
|
1 |
热敏电阻 |
8 |
接地 |
|
|
2 |
热敏电阻 |
9 |
接地 |
|
|
3 |
激光器直流负极 |
10 |
空 |
|
|
4 |
背光探测器正极 |
11 |
激光器正极 |
|
|
5 |
背光探测器负极 |
12 |
激光器射频输入负极 |
|
|
6 |
制冷器正极 |
13 |
激光器正极 |
|
|
7 |
制冷器负极 |
14 |
空 |
|
|
|
|||
订货信息:
|
产品名称 |
中心波长nm |
输出功率 |
隔离器 |
光纤类型 |
尾纤 |
连接器 |
|
14针蝶形封装DFB激光器 |
CWDM波长 1270~1610 |
6mW |
带隔离器 |
单模光纤 |
250um裸纤 |
SC/UPC |
|
8mW |
不带隔离器 |
保偏光纤 |
900um套管 |
SC/APC |
||
|
DWDM ITU 通道代码 |
10mW |
|
|
|
FC/UPC |
|
|
20mW |
|
|
|
FC/APC |
||
|
可定制 |
可定制 |
|
|
|
可定制 |
分类导航
联系我们
CONTACT US联系人:杨经理
Q Q:596830593;3229737253
电 话:18980732183微信同号
地 址:四川省成都市
