产品中心
蝶形激光器准连续驱动
产品说明:
ZY-CW设计的蝶形激光器驱动电路是连续多用半导体激光电源,引进目前国际先进的半导体
激光电源技术,选用优质元器件生产。具有输出噪声小、恒流特性好、电流稳定、抗干扰能 力强等优点,并具有防过、防浪涌的稳压、恒流双重保护电路,保证激光器的稳定工作和使用寿命,整机配置完善,性能稳定,性价比高,非常适合各类厂家、公司、大学、科研机构 使用。
特征:输出电压自适应负载 3V;输出电流:0~5000mA;连续CW 模式;电流稳定度小于0.1%;输出电流具有本机、计算机两种控制方式(软件选择);电源启停具有本机、计算机两种控制方式(软件选择);带 TEC 温度控制激光器(选配控温精度±0.1℃);TEC 输出电压1~5V 可调,电流3A;具有过流、过压、过热等保护;具有电流缓升、电流缓降等保护功能;高稳定、高抗干扰、低噪声;LCD 真彩液晶显示;具有友好的人机界面和故障诊功能;电路板尺寸:100*150*50mm;接受定制
领域:半导体激光器、晶体温度控制、固体温度控制、实验、科研温控源等
模块参数25℃:
|
参数 型号 |
LD3100 |
LD3500 |
LD31000 |
LD32000 |
LD33000 |
LD35000 |
|
输入电压 |
220±15% |
220±15% |
220±15% |
220±15% |
220±15% |
220±15% |
|
输出电压 |
0~3V |
0~3V |
0~3V |
0~3V |
0~3V |
0~3V |
|
输出电流 |
0~100mA |
0~500mA |
0~1000mA |
0~2000mA |
0~3000mA |
0~5000mA |
|
控温精度 |
±0.1℃ |
|||||
|
控温范围 |
5℃~40℃ |
|||||
|
体积 |
100*150*50mm |
|||||
|
接口 |
RS232 |
|||||
|
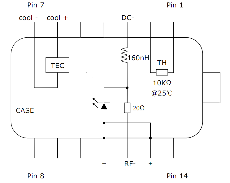
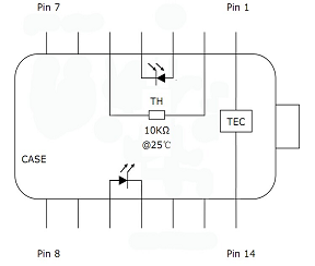
激光器引脚;A/B |
||||||
|
|
||||||
分类导航
联系我们
CONTACT US联系人:杨经理
Q Q:596830593;3229737253
电 话:18980732183微信同号
地 址:四川省成都市

